DevGang
[CA-03] 조합 논리회로 본문
1. 조합 논리회로
- 정의 : 이전 입력과 관계없이 현재의 입력 조합(0 또는 1)으로부터 결정되는 논리회로
- 종류 : 반 가산기, 전가산기, 병렬 가산기, 반 감산기, 전 감산기, 디코더, 인코더, 멀티플렉서, 연산기, 디멀티플렉서, 다수결 회로, 비교기
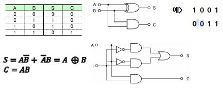
2. 반 가산기(Half Adder)
- 1bit짜리 2진수 2개를 가산한 합과 올림수를 구하는 조합 논리회로

3. 전 가산기(Full Adder)
- 반 가산기의 회로에 뒷자리에서 발생한 자리 올림수를 처리할 수 있도록 한 회로


4. 병렬 가산기(Parallel Adder)
- n Bit로 2진수 A, B에 대한 덧셈을 n개의 전가산기를 이용하여 구현한 실질적 가산기
- 기출문제 예문

- A: 0 1 0 1 (+5)
B: 1 1 1 1 (-1)
C1: 0 0 0 0 (0)
F: 1 0 1 0 0 (+4) ※ F의 최상위 bit 1은 버림 - 정답: F = A - 1
5. 마이크로 오퍼레이션 동작 기출문제

- A: 0 1 0 1 (+5)
B: 0 0 0 0 (0)
C1: 0 0 0 1 (1)
F: 0 1 1 0 (+6) - F = A + 1 이므로 병렬 가산기가 A값에 Ci값 1을 더함
- 정답: Increment
6. 디코더(Decoder)
- 해독기 디코더 : n Bit입력단자를 통해 들어온 2진 신호를 최대 2의 N승 개의 출력 단자 중 하나를 선택하는 회로


- 디코더 관련 기출문제


- A = X Y + X Y
7. 인코더, 멀티플렉서, 디멀티플렉서
- 인코더(Encoder)
- 디코더의 반대 동작
- 2의 N승개의 입력단자에 대해 N개의 출력 단자로 코드화 해서 출력하는 회로
- 멀티플렉서(MUX, Multiplexer)
- N개의 입력 데이터에서 입력선을 선택하여 단일 채널로 송신하는 것(여러 개의 입력이 하나로…)
- 버스(bus)를 구성하는 데 사용할 수 있는 논리회로
- 디멀티플렉서(DeMUX, DeMultiplexer)
- 멀티플렉서의 반대 동작
- 1개의 입력선으로 들어오는 정보를 2의 N승개의 출력선 중 1개를 선택하여 출력하는 회로
'정보처리 > CA' 카테고리의 다른 글
| [CA-06] 자료의 내부적 표현 (0) | 2021.02.06 |
|---|---|
| [CA-05] 진법과 보수 (0) | 2021.02.06 |
| [CA-04] 순서 논리회로 (0) | 2021.02.06 |
| [CA-02] 논리 게이트 (0) | 2021.02.06 |
| [CA-01] 논리 회로 (0) | 2021.02.06 |
Comments